Välkommen till Yourex - Din Grossist på bilelektriska reservdelar.
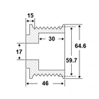
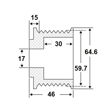
8 spår
Vi använder cookies för att ge dig den bästa upplevelsen av vår webbplats. Du godkänner användningen av cookies genom att trycka OK och surfa vidare på webbplatsen.