Till sidans huvudinnehåll
  • Välkommen till Yourex - Din Grossist på bilelektriska reservdelar.

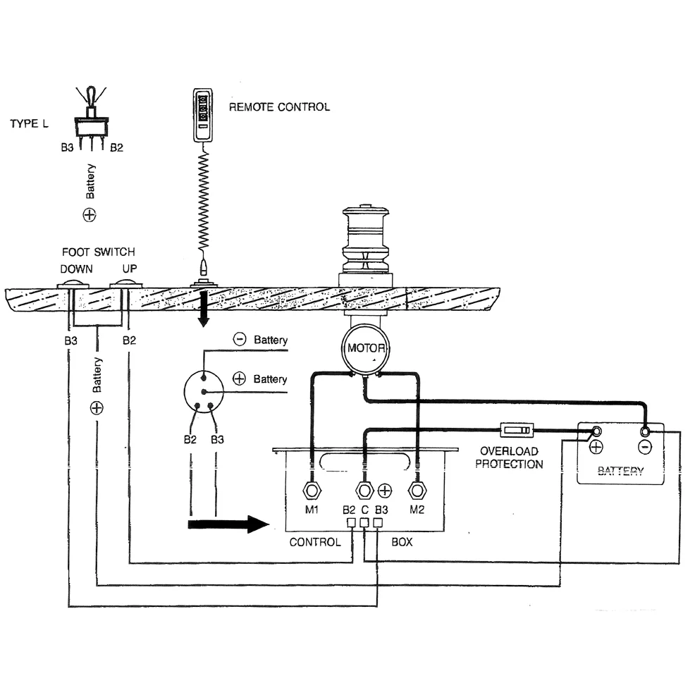
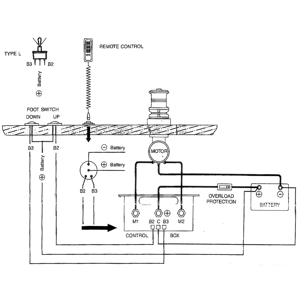
Artikelnr: 12-802-2426

Dubbelrelä 24V, DC motor K.box

Teknisk info:

24V-50A, DC Motor kontrollbox

Beskrivning

Dubbelrelä 24V, DC motor K.box 24V-50A, DC Motor kontrollbox 120x60x100 Passar DC motorer, Ankarspel Marin mm.