Till sidans huvudinnehåll
  • Välkommen till Yourex - Din Grossist på bilelektriska reservdelar.

Artikelnr: 12-802-2424

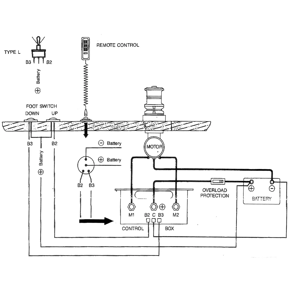
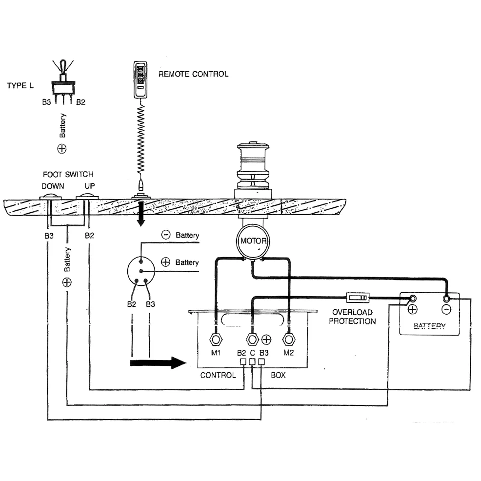
Dubbelrelä 12V, DC motor K.box

Teknisk info:

12V-100A, DC Motor kontrollbox

Beskrivning

Dubbelrelä 12V, DC motor K.box 12V-100A, DC Motor kontrollbox 120x60x100 Passar DC motorer, Ankarspel Marin mm.